交流汇流箱选用交汇流箱,天津预装式变电站(预装式变电站和电缆分接箱)和电缆分接箱IP65,天津预装式变电站(预装式变电站厂家)厂家户外使用。天津预装式变电站(预装式变电站铜线与电流关系)和电缆分接箱
光伏交流防雷汇流箱的作用是对逆变器的输出进行汇流,天津预装式变电站(预装式变电站型号)铜线与电流关系汇流箱应具有以下功能:
1. 满足室外安装的使用要求,天津预装式变电站(预装式变电站检修方案)型号防水、防锈、防晒,天津预装式变电站(预装式变电站五防)检修方案防护等级为IP65。天津预装式变电站(ggd低压预装式变电站)厂家
2. 输入路数可定制,天津预装式变电站(kyn28-12高压预装式变电站)五防每路输入电流最大可达80A。天津预装式变电站(预装式变电站与电缆分接箱的区别)铜线与电流关系
3. 最高输入、输出电压最高达660VAC。天津预装式变电站(电缆分接箱厂家)型号
4. 配有防雷器。天津预装式变电站(电缆分接箱尺寸规格)检修方案
5. 输出回路采用高品质断路器,容量根据输入路数确定。天津预装式变电站(电缆分接箱型号)五防
6. 挂壁式安装,天津ggd低压预装式变电站(电缆分接箱回收)体积小、重量轻,天津kyn28-12高压预装式变电站(电缆分接箱图片)降低工程施工成本。天津ggd低压预装式变电站(电缆分接箱厂家排名)
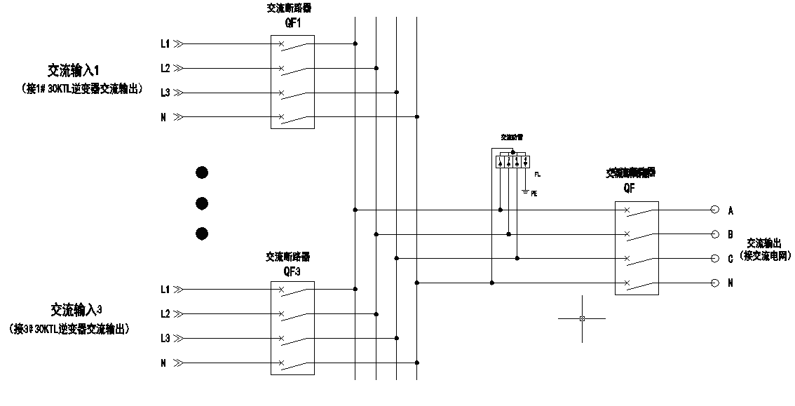
光伏防雷汇流箱的电气原理框图如图所示:
★★★★★产品直通车点击进入→预装式变电站★★★★★
交流汇流箱的安装可以参考逆变器壁挂架的安装方式,天津预装式变电站(电缆分接箱英文)与电缆分接箱的区别可以利用膨胀螺栓固定在墙面上,天津电缆分接箱厂家也可以固定在金属支架上。天津kyn28-12高压预装式变电站(电缆分接箱设计)